×
搜索
搜索
网站导航
首 页
关于我们
产品中心
新闻中心
经典案例
联系我们
行业资讯
合作客户
联系我们
服务支持
公司环境
常见问题
经典案例
公司文化
公司历程
智能公交站台
移动房屋
您的位置:
首页
→
经典案例
→
公交站台候车亭
惠州大亚湾星河丹堤公交候车亭制作安装厂家
上一个:广州市增城区候车亭制作安装
下一个:东莞常平隐贤山庄景区售货亭制作
详情介绍
惠州大亚湾星河丹堤公交候车亭制作安装厂家
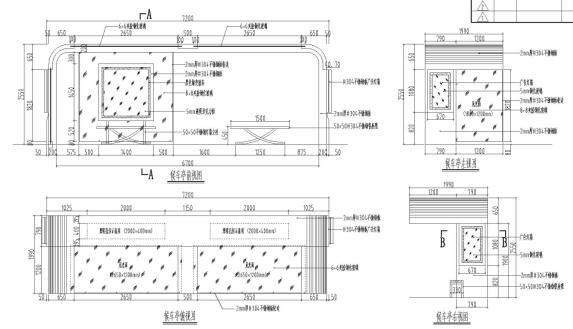
惠州大亚湾星河丹堤公交候车亭尺寸:9.8*2.0*2.8米(可按要求定制尺寸)
惠州星河丹堤公交候车亭顶棚为5+5夹胶钢化玻璃,边框采用1.5mm厚304不锈钢板机加工成型,公交候车亭款式是由星河集团公司设计,款式及材料均按设计要求定制。
公交候车亭灯箱采用不锈钢板机加工成型,凳子也是采用不锈钢管焊接而成。整个候车亭都采用304不锈钢材料制作。
惠州大亚湾星河丹堤公交候车亭设计图:
惠州大亚湾星河丹堤公交候车亭点位安装布局图:
惠州公交候车亭,惠州大亚湾候车亭制作,星河地产公交候车亭制作厂家东莞市品筑金属制品有限公司
东莞市品筑智能交通设施有限公司 版权所有
技术支持:
东莞网站建设