
惠州大亚湾星河丹堤公交候车亭制作安装厂家
惠州大亚湾星河丹堤公交候车亭尺寸:9.8*2.0*2.8米(可按要求定制尺寸)
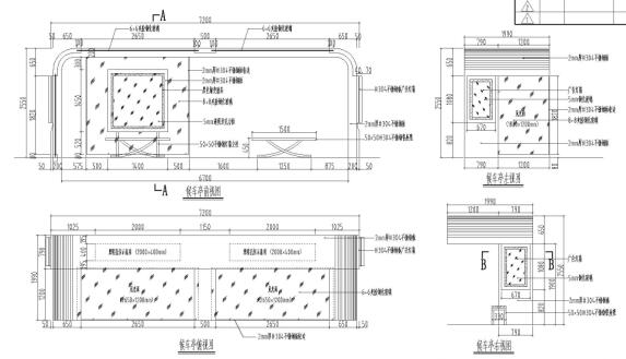
惠州星河丹堤公交候车亭顶棚为5+5夹胶钢化玻璃,边框采用1.5mm厚304不锈钢板机加工成型,公交候车亭款式是由星河集团公司设计,款式及材料均按设计要求定制。
公交候车亭灯箱采用不锈钢板机加工成型,凳子也是采用不锈钢管焊接而成。整个候车亭都采用304不锈钢材料制作。
惠州大亚湾星河丹堤公交候车亭设计图:


惠州大亚湾星河丹堤公交候车亭点位安装布局图:
惠州公交候车亭,惠州大亚湾候车亭制作,星河地产公交候车亭制作厂家东莞市品筑金属制品有限公司